股票代码  003021
主页 > 产品中心 > 微型电机 > 无刷空心杯电机 > Φ8mm无刷空心杯电机(MC0820)
概述

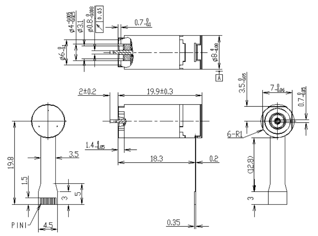
Φ8mm无刷空心杯电机(MC0820)

产品型号:MC0820

直径(mm):8

长度(mm):20

额定电压(V):5

额定转速(rpm):15000

堵转转矩(mNm):1.08

堵转电流(A) :0.52

转矩常数(mNm/A):2.4

速度常数(rpm/V) :4000

输出轴直径(mm):0.8

电机参数

电机数据(额定值)
额定电压(V) 5
空载转速(rpm) 18000
空载电流(A) 56
额定转速 (rpm) 15000
额定转矩(mNm) 0.18
额定电流(A) 0.13
堵转转矩(mNm) 1.08
堵转电流(A) 0.52
最大效率(%) 45
电机常数(额定值)
相间电阻(Ω) 9.7
相间电感(mH) 0.14
转矩常数(mNm/A) 2.4
速度常数(rpm/V) 4000
转速/转矩斜度(rpm/mNm) 16623
机械时间常数(ms) 1.54
转子惯量(gcm2) 0.01
热参数
机壳-环境热阻(K/W) /
绕组-机壳热阻(K/W) /
绕组热时间常数(s) /
电机热时间常数(s) /
环境温度(℃) ?? -20…+100
最高绕组温度(℃) 125
机械参数(滚珠轴承)
最大允许转速(rpm) 40 000
最大轴向间隙(mm) < 0.15 N? 0
?> 0.15 N? 0.06(max)
径向间隙 ?preloaded
最大轴向动态载荷(N) 2
最大允许安静态装力(N) 10
最大径向载荷,距离法兰处2mm处(N) 5
端子型号
Molex 52745-1297
*注:以上具体参数可根据客户要求定制。

设计图纸

热门产品查看更多

  •  MC1625

      额定电压 12 V  

      额定转速 17300 rpm  

      堵转转矩 21.2 mNm  

    查看详情
  •  MC1958

      额定电压 36 V  

      额定转速 54400 rpm  

      堵转转矩 447 mNm  

    查看详情

资料下载

Φ8mm无刷空心杯电机(MC0820)规格书

不朽情缘官方网站 — 微型驱动系统制造商

专注于研发、生产精密驱动系统,为客户提供智能驱动方案设计,零件的生产与组装的定制化服务

立即咨询  >

粤ICP备11019966号     Copyright ? 2023  深圳市不朽情缘官方网站机电股份有限公司  

粤ICP备11019966号
Copyright  2023  深圳市不朽情缘官方网站机电股份有限公司

400-066-2287
服务热线


线

服务热线:400-066-2287
sitemap地图